Skip to main content

Simple to Specify Clamp icon Easy to Order Clamp icon Rapid to Assemble

748 - DDA Assist Saddle Internal Swivel Bracket

To attach handrail to an upright at any angle when used in conjunction with type 101 or 125 for a single rail or type 104 for a double rail. Rivets or self-drilling screws can be supplied separately at extra cost.

Although the saddles type Assist fittings are primarily designed to fit snugly on C42 diameter tubes, they may also accommodate D48 tubes with a slight central gap when fitted. Please note, however, that for relevant UK applications, D48 size handrails do not meet the dimensional requirements of the Disability Discrimination Act (DDA) regulations and Building Regulations Part M:2004.

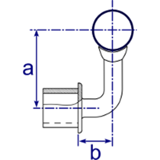
Product Data & Dimensions

Size a (mm) b (mm) c (mm) Weight (kg) Box Qty*
  C42   80   38.5   90   0.50   60

* Fittings are sold individually and do not need to be bought in box quantities. Box quantities may be subject to change without prior notice.

Figures given as guidance only, dimensions and weights are subject to manfacturing tolerances and may be altered without prior notice.

Do not perform any pre-drilling, tube cutting, casting uprights or any other dimensionally critical processes prior to receiving fittings.

Find out more about how this website uses cookies to enhance your browsing experience. Learn More.